Rs485 full duplex wiring Modbus rs485 wiring diagram collection Modbus rs485 wiring diagram
Modbus Rs485 Wiring Diagram Collection
Relay modbus rtu volume rs485 12v Usb rs232 wiring diagram db9 pinout.jpg rs485 wiring diagram Modbus rs485 wiring diagram wiring diagram and schematic role images
Rs485 modbus connection communication rtu cabling cable wire shield point electrical rules correct bus slaves end devices systems perfect maximum
Modbus 485 wiring diagramModbus rs485 wiring diagram collection How to connect rs485 device to computer in modbus rtuModbus rs485 wiring diagram collection.
Modbus rs485 rtu connect device computer connector ground usingModbus rs485 connection diagram Rs485 modbus connectionRs485 daisy chain wiring.

Rs485 modbus rtu
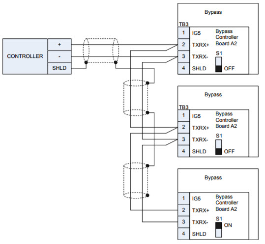
[diagram] 2 wire for modbus rs485 wiring diagramModbus rs485 arduino cp1w rtu max485 omron cp1e transceiver mrplc forums jose Rs485 modbus connection[diagram] wiring modbus connection diagram.
Modbus rs485 wiring diagramRs485 cable wiring 10 rs485 wiring-diagram rs485 modbus9 rules for correct cabling of the modbus rs485 communication systems.

Modbus rs485 wiring diagram collection
Modbus rtu communication between omron cp1e (cp1w-cif11) and an arduino[diagram] modbus rs485 wiring diagram Modbus rs485 connection diagramModbus rs485 wiring diagram.
Max485 ttl to rs-485 컨버터 모듈 [szh-cvbe-013] / 디바이스마트Rs485 modbus wiring beckhoff Bacnet ms/tp, modbus (rs-485), apogee, and metasys communication wiringModbus rs485 wiring diagram.

Modbus arduino rs485 diagram wiring circuit maker rtu android over online via munication serial connection tcp simulator ethernet
Rs485 modbus cabling communication each correct network distance repeater signal rules other 1200 systems devices receive provided ports transfer amplifyingRs485 9 pin wiring diagram [diagram] wiring modbus connection diagramRs 485 wiring diagram.
Modbus rs485 wiring diagram collectionRules to do perfect cabling of modbus rtu Rs485 modbus connectionModbus rtu 4 way relay module 4 switch volume road input 485 communication.


BACnet MS/TP, Modbus (RS-485), Apogee, and Metasys Communication Wiring
![[DIAGRAM] 2 Wire For Modbus Rs485 Wiring Diagram - MYDIAGRAM.ONLINE](https://i2.wp.com/c7.uihere.com/files/315/146/471/modbus-input-output-wiring-diagram-rs-485-border-gateway-protocol.jpg)
[DIAGRAM] 2 Wire For Modbus Rs485 Wiring Diagram - MYDIAGRAM.ONLINE

Modbus Rs485 Wiring Diagram Collection
Rs485 9 Pin Wiring Diagram - Wiring Diagram

Modbus Rs485 Wiring Diagram Wiring Diagram And Schematic Role Images

Modbus Rs485 Wiring Diagram Collection

Modbus Rs485 Wiring Diagram Collection - vrogue.co

Modbus RTU 4 Way Relay Module 4 Switch Volume Road Input 485 Communication